+7 (912)-751-33-24Заказать звонок
Заказать звонок

Оставьте Ваше сообщение и контактные данные и наши специалисты свяжутся с Вами в ближайшее рабочее время для решения Вашего вопроса.

Ваш телефон
Ваш телефон*
Ваше имя
Ваше имя

* - Поля, обязательные для заполнения

Сообщение отправлено
Ваше сообщение успешно отправлено. В ближайшее время с Вами свяжется наш специалист
Закрыть окно
arbatex@list.ru
Каталог товаров
Подписка на новости магазина

Подпишитесь на рассылку и получайте свежие новости и акции нашего магазина.

Описание товара:

Трансформатор ТОТ-14 осуществляет преобразование переменного напряжения и/или гальваническую развязку в самых различных областях применения - электроэнергетике, электронике и радиотехнике.
30 руб. / шт Цена не является конечной и требует уточнения у менеджера.
В наличииВ наличии
Загрузка
Рассчитываем стоимость доставки
Пожалуйста подождите, рассчет займет немного времени

Описание товара

Описание


Трансформатор ТОТ-14 — это статическое электромагнитное устройство, имеющее две или более индуктивно связанные обмотки на каком-либо магнитопроводе и предназначенное для преобразования посредством электромагнитной индукции одной или нескольких систем (напряжений) переменного тока в одну или несколько других систем (напряжений), без изменения частоты.

Трансформатор ТОТ-14 осуществляет преобразование переменного напряжения и/или гальваническую развязку в самых различных областях применения — электроэнергетике, электронике и радиотехнике.

Параметры и характеристики:


Трансформаторы согласующие сигнальные низкой частоты ТОТ-14 предназначены для работы в усилителях звуковой частоты бытового и промышленного назначения, изготавливаемых в виде самостоятельных сборочных единиц или в составе бытовой РЭА.
Трансформаторы типа ТОТ используются в устройствах низкочастотных трактов, выполненных на полупроводниковых и электровакуумных приборах в аппаратуре с печатным монтажом.
Трансформаторы типа ТОТ разработаны специально для схем печатного монтажа.
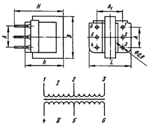
Расположение выводов трансформаторов подобно цоколевке электровакуумных приборов и реле. Имеется ключ и дополнительная маркировка первого вывода на боковой поверхности трансформатора (красная точка). Отсчет выводов производится по часовой стрелке со стороны монтажа. При этом первый вывод расположен в левом верхнем углу. Каркас трансформаторов получает дополнительную жесткость от армирования его жесткими выводами, расстояние между которыми равно шагу координатной сетки печатной платы.

Основные технические характеристики трансформатора типа ТОТ:
• Рабочий диапазон эффективно воспроизводимых частот ...... 300...10000 Гц;
• Диапазон номинальной мощности ...... 0,025...25 В*А;
• Резонансная частота ...... не более 1000 Гц;
• Максимальное значение испытательного напряжения ...... 500 В;
• Коэффициент нелинейных искажений на граничных частотах полосы пропускания 300...10000 Гц ...... не более 5 %;
• Коэффициент амплитудно-частотных искажений в диапазоне частот 300...10000 Гц ...... ±2 дБ;
• Максимальная амплитуда переменного входного напряжения трансформаторов ...... 140 В;
• Пределы изменения входных сопротивлений трансформаторов ...... 13...22000 Ом;
• Максимальное напряжение первичной обмотки ...... 100 В;
• Сопротивление нагрузки трансформаторов ...... 4...4000 Ом;
• Максимальное постоянное напряжение на обмотках трансформатора ...... 100 В;
• Сопротивление изоляции между обмотками, а также между каждой обмоткой и магнитопроводом ...... 1000 Ом;
• Максимальное отклонение коэффициента трансформации ...... ±5 %;
• Температура окружающей среды ...... -60...+125 °С.
Добавить отзыв
Ваша оценка:
Отправить отзыв

Похожие товары (8)

30 руб. / шт Цена не является конечной и требует уточнения у менеджера.
В наличииВ наличии
ТОТ-14 трансформатор
Задать вопрос

Ваше имя*
Контактный телефон*
E-mail
Вопрос*

* - Поля, обязательные для заполнения

Сообщение отправлено
Ваше сообщение успешно отправлено. В ближайшее время с Вами свяжется наш специалист
Закрыть окно
Купить в один клик
Заполните данные для заказа
Запросить стоимость товара
Заполните данные для запроса цены
Запросить цену Запросить цену